×
搜索
搜索
网站导航
首 页
产品中心
关于我们
公司实力
新闻资讯
视频中心
资质认证
在线留言
您的位置:
首页
→
产品中心
→
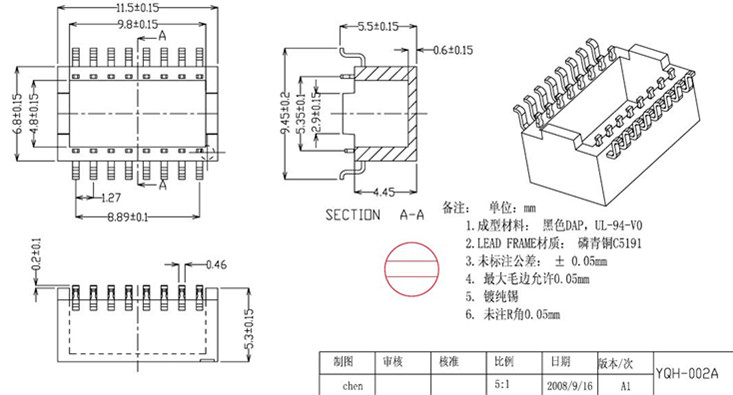
SMD系列外壳
YQH-002A
上一个:YQH-002
下一个:YQH-002D
详情介绍
东莞市丰强电子有限公司 版权所有 © Copyright 2019